公司简介 企业文化 联系我们
创行业名牌,造专业品质,展员工所长,为顾客所想
电气百科 行业新闻
人才战略 人才招聘
联系我们
For More Information Call
0577-27880778
打印当前页
放入收藏夹
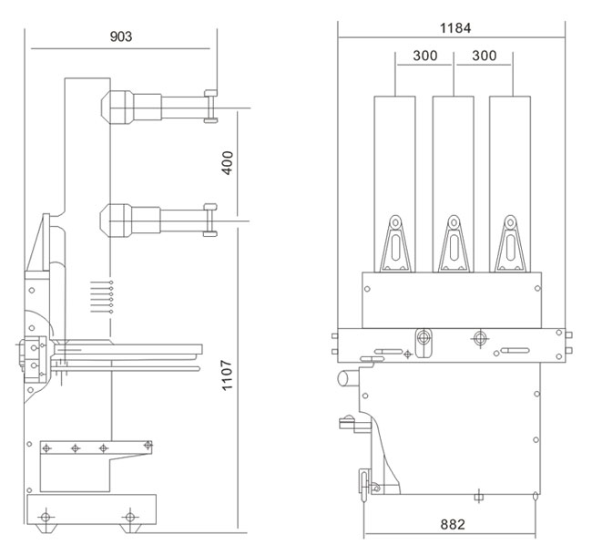
ZN85-40.5型户内高压真空断路器,系三相交流50Hz额定电压为35KV 电力系统的户内开关设备,作为电网设备、工矿企业动力设备的保护控制单元。使用于要求在额定工作电流下的频繁操作,或多次开断短路电流的场所。
a 周围空气温度:上限+40℃。下限-15℃;
b 海拔高度:≤1000m(若需增高海拔,则额定绝缘水平相应提高);
c 振幅:地震烈度不超过8度;
d 空气相对湿度日平均值不大于95%,月平均值不大于90%;
e 无火灾、爆炸危险、严重污染、化学腐蚀及剧烈震动的场所。